接口多样,连接无界

接口多样,连接无界
多领域专家,智能助力新篇章
开云(中国)Kaiyun·官方网站CLD-15嵌入式主板可以是您的工业自动化核心,数据中心的高效引擎,多媒体展示的艺术画布,以及科研教育领域的得力助手。

功能强大
图解核心优势
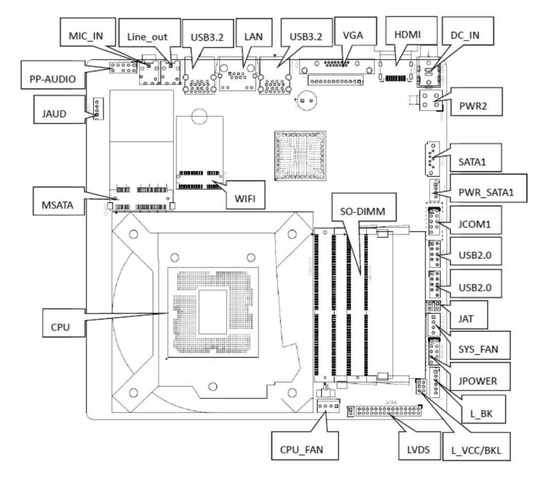
CPU: Intel 6th, 7th, 8th, and 9th Gen Desktop Processor
Memory: Dual Channel SO-DIMM DDR4 up to 64GB
Display: Intel Graphics display via HDMI 1.4, LVDS, VGA
Ethernet: 10/100/1000 Mbps
Storage: SATA3.0, mSATA
Expansion: M.2 for WiFi
Power: 19V DC input
更多参数请点击页面右上角产品规格查看
兼容性强:支持Intel 6th至9th代桌面处理器,搭载H310C芯片组,为您提供广泛的兼容性和强大的计算性能。
高效存储与扩展:拥有SATA3.0和mSATA存储接口,以及M.2插槽用于WiFi扩展,确保数据快速传输和灵活的设备连接。
双屏显示体验:支持HDMI+VGA双屏显示,让您在多任务处理或展示时享受更宽广的视觉空间。
稳定可靠:秉承Maxtang产品一贯的坚固设计,CLD15主板具备出色的稳定性和可靠性,确保长时间运行的稳定性和数据的安全性。